Motor Thủy Lực: Phân Loại Và Ứng Dụng Trong Các Hệ Thống

Nam Hải
Nam Hải 11/11/2025 • 1 week ago
Mục lục

    Motor thủy lực được sử dụng nhiều trong các hệ thống thủy lực, có nhiệm vụ chuyển đổi năng lượng thành chuyển động quay cơ học. Hãy cùng tìm hiểu cấu tạo, nguyên lý hoạt động và ứng dụng của các loại motor trong bài viết dưới đây nhé! 

     

    Motor thủy lực là gì?

    Motor thủy lực (hay còn gọi là động cơ thủy lực, mô tơ thủy lực) là thiết bị truyền động hoạt động dựa trên nguyên lý dầu áp suất cao đẩy piston hoặc bánh răng quay, tạo ra mô-men xoắn và chuyển động quay ở trục ra.

    Nói cách khác, motor hoạt động “ngược lại” so với bơm thủy lực:

    • Bơm thủy lực: Biến chuyển động cơ học thành năng lượng.
    • Motor thủy lực: Sử dụng năng lượng để tạo ra chuyển động quay cơ học.

    Motor được cấp dầu áp suất cao từ bơm thủy lực, dòng dầu đi qua van điều khiển rồi vào khoang làm việc của motor, đẩy các phần tử bên trong chuyển động, tạo mô-men quay trục để dẫn động tải.

    Motor thủy lực

    Motor thủy lực

    Cấu tạo và nguyên lý hoạt động

    Cấu tạo cơ bản

    Tùy loại, cấu tạo motor thủy lực có thể khác nhau, nhưng thường gồm các bộ phận chính:

    • Vỏ motor: làm bằng gang hoặc thép, chịu áp lực cao.
    • Trục ra: kết nối trực tiếp với cơ cấu chấp hành (hoạt động quay).
    • Cụm làm việc: gồm piston, bánh răng hoặc cánh gạt – nơi dầu tạo ra lực quay.
    • Vòng phớt, ổ bi, bạc đạn: giúp motor quay êm, chống rò rỉ dầu.
    • Cổng cấp – hồi dầu: kết nối với hệ thống ống dẫn thủy lực.
    Motor có cấu tạo gần giống với bơm thủy lực

    Motor có cấu tạo gần giống với bơm thủy lực

    Xem thêm:

     

    Nguyên lý hoạt động

    Dòng dầu được nén lại với áp suất cao khi ra khỏi bơm và đi vào khoang làm việc của motor, áp suất dầu tác dụng lên bề mặt piston hoặc răng bánh, tạo ra lực quay trục motor. Trục motor được gắn trực tiếp với cơ cấu chấp hành, khi trục quay sẽ làm cơ cấu chuyển động quay theo. Khi đó, lưu lượng dầu tại đây sẽ quyết định tốc độ quay, còn áp suất dầu sẽ quyết định lực quay.

    Các loại motor thủy lực phổ biến hiện nay

    Trên thị trường, motor thủy lực được chia thành nhiều loại theo cấu tạo và đặc tính hoạt động, trong đó ba nhóm chính là motor bánh răng, motor cánh gạt, và motor piston.

    1. Motor bánh răng

    Cấu tạo gồm hai bánh răng ăn khớp nhau nằm trong vỏ kín. Khi dầu đi vào, bánh răng bị đẩy quay và tạo chuyển động quay tại trục.

    • Ưu điểm: Loại động cơ này có thiết kế đơn giản, bền, giá rẻ, chịu được môi trường khắc nghiệt, và dễ sửa chữa, bảo dưỡng.
    • Nhược điểm: Hiệu suất trung bình, không thích hợp cho ứng dụng yêu cầu chính xác cao.
    • Ứng dụng: Máy ép nhỏ, hệ thống bôi trơn, xe nâng, máy công trình tải trung bình.
    Một motor bánh răng được lắp với van điều chỉnh tốc độ

    Một motor bánh răng được lắp với van điều chỉnh tốc độ

    Xem thêm: 

     

    2. Motor cánh gạt

    Bên trong có rotor gắn các cánh gạt trượt trong rãnh, dầu vào làm cánh gạt bung ra và quay.

    • Ưu điểm: Loại động cơ này hoạt động êm, ít rung, phù hợp môi trường cần tiếng ồn thấp, tốc độ quay ổn định và dễ dàng điều chỉnh
    • Nhược điểm: Không chịu được áp suất quá cao, thường dưới 140 bar.
    • Ứng dụng: Máy công nghiệp nhẹ, máy ép nhựa, dây chuyền sản xuất tự động.

    3. Motor piston

    Motor piston gồm các piston tịnh tiến trong xy lanh, dầu vào đẩy piston sinh lực quay trục. Động cơ này có 2 dạng: piston hướng trục và piston hướng tâm.

    • Ưu điểm: Hiệu suất cao nhất, lực quay lớn, chịu áp tới 350–450 bar và có khả năng làm việc ổn định liên tục với độ chính xác cao.
    • Nhược điểm: Giá thành cao
    • Ứng dụng: Máy công trình nặng, máy ép cỡ lớn, tàu thủy, máy khoan, hệ thống servo thủy lực chính xác.

    Ứng dụng của motor thủy lực

    Cũng giống như bơm, van, motor cũng là một thiết bị quen thuộc trong các hệ thống thủy lực lớn nhỏ ở mọi lĩnh vực như:

    1. Máy công trình

    Motor được ứng dụng trong các hệ thống dẫn động bánh xe, băng tải, tời, cẩu, xe xúc, máy đào, máy khoan. Ưu điểm là moment lớn, chịu tải cao, làm việc liên tục trong điều kiện khắc nghiệt.

    2. Máy ép và dây chuyền sản xuất tự động

    Motor thủy lực truyền động xi lanh ép, trục quay khuôn, trục cán, hệ thống bơm phụ. Giúp dễ dàng điều chỉnh tốc độ quay bằng van tiết lưu hoặc van tỷ lệ.

    3. Tàu biển, cẩu cảng, thủy điện

    Motor được ứng dụng trong các hệ thống dẫn động cẩu hàng, bệ nâng, cửa van thủy điện, máy tời neo. Ưu điểm là chịu được tải nặng, môi trường khắc nghiệt, tuổi thọ cao.

    4. Tự động hóa

    Khi kết hợp với van tỷ lệ và cảm biến phản hồi, motor thủy lực có thể điều khiển chính xác tốc độ và vị trí quay, tương tự motor servo điện, nhưng có khả năng chịu tải lớn hơn và độ bền cao hơn.

    Motor thủy lực được lắp đặt ở đâu trong hệ thống?

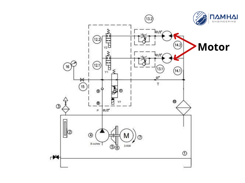
    Motor thủy lực thường được lắp ở cuối đường dầu áp suất, tức là sau van điều khiển và trước bộ phận truyền động tải.

    Cụ thể, Dầu từ bơm thủy lực đi qua van áp suất, van điều khiển hướng, van tiết lưu đến motor thủy lực. Motor làm nhiệm vụ quay, điều khiển cơ cấu chấp hành cuối cùng. Dầu hồi từ motor trở về thùng dầu qua bộ lọc hồi.

    Kiểu kết nối:

    • Cổng P: nhận dầu áp suất từ van phân phối.
    • Cổng T: xả dầu hồi về thùng.
    • Trục motor: nối cơ khí với tải thông qua khớp nối trục, hộp số, hoặc bánh răng truyền động.

    Với hệ thống yêu cầu điều khiển chính xác, motor thường kết hợp cảm biến tốc độ, cảm biến vị trí và van servo tỷ lệ, tạo thành bộ truyền động servo thủy lực.

    Sơ đồ thủy lực của 1 trạm dầu điều khiển motor

    Sơ đồ thủy lực của 1 trạm dầu điều khiển motor

    Lưu ý khi lựa chọn motor thủy lực

    - Chọn loại phù hợp tải và áp suất:

    • Tải nhẹ: Sử dụng motor bánh răng.
    • Tải trung bình, yêu cầu êm: Sử dụng motor cánh gạt.
    • Tải nặng, mô-men lớn: Sử dụng motor piston.

    - Chọn tốc độ và mô-men đúng yêu cầu: xác định theo công suất bơm và lưu lượng dầu.

    - Đảm bảo dầu sạch: dùng bộ lọc tinh để tránh mài mòn piston hoặc rò rỉ.

    - Kiểm tra hướng quay và kết nối trục: phù hợp với chiều quay hệ thống.

    Top 4 thương hiệu motor thủy lực được ưa chuộng nhất hiện nay

    1. Rexroth (Đức)

    Nhắc đến motor thủy lực, Bosch Rexroth là thương hiệu luôn xuất hiện hàng đầu trong những cái tên đình đám nhất hiện nay. Motor Rexroth đã quá nổi tiếng và được ưa chuộng trên toàn cầu. Giá thành của motor đến từ thương hiệu này cũng được đánh giá là khá cao, đi cùng với đó là chất lượng cao, độ bền, độ chính xác vượt trội.

    Đặc điểm nổi bật:

    • Đa dạng mẫu mã với dải công suất và lưu lượng rộng, đáp ứng nhiều ứng dụng công nghiệp nặng.
    • Hiệu suất cơ học cao, tổn thất năng lượng thấp.
    • Tuổi thọ cao
    • Tích hợp cảm biến giám sát và điều khiển điện tử cho dòng servo thủy lực.

    Ứng dụng: Thường được dùng trong máy ép thủy lực, máy công trình, hệ thống thủy lực nhà máy thép, dây chuyền tự động hóa, và thiết bị nâng hạ tải trọng lớn.

    Tại Việt Nam, Công ty Kỹ thuật Nam Hải có hơn 20 năm là đại lý ủy quyền phân phối chính hãng các sản phẩm thủy lực Rexroth, đồng thời cung cấp dịch vụ bảo hành, sửa chữa, làm mới thiết bị theo tiêu chuẩn châu Âu.

    2. Danfoss (Đan Mạch)

    Danfoss cũng là một trong những nhà sản xuất thiết bị thủy lực nổi tiếng toàn cầu, đặc biệt mạnh về các dòng motor thủy lực cho máy di động và công nghiệp nặng.

    Đặc điểm nổi bật:

    • Thiết kế nhỏ gọn
    • Hiệu suất cao nhờ hệ thống kín giảm rò rỉ dầu và tối ưu tổn thất thể tích.
    • Có nhiều dòng motor: motor bánh răng, motor piston hướng trục, motor quỹ đạo (OMS, OMP, OMV)…
    • Một số model được tích hợp cảm biến tốc độ và áp suất, dễ kết nối với hệ thống điều khiển điện tử.

    Ứng dụng: Được dùng phổ biến trong xe nâng, xe công trình, máy khoan, máy ép, thiết bị nông nghiệp và máy di chuyển thủy lực.

    Ưu điểm nổi bật: tuổi thọ cao, chi phí bảo trì thấp, và dễ thay thế phụ tùng tại thị trường Việt Nam.

    Một loại motor thủy lực của Danfoss được sử dụng phổ biến hiện nay

    Một loại động cơ của Danfoss được sử dụng phổ biến hiện nay

    3. Parker

    Parker Hannifin là thương hiệu của Mỹ, chuyên cung cấp giải pháp truyền động thủy lực và điện, thủy lực tích hợp. Motor thủy lực Parker cũng được đánh giá cao về hiệu suất, độ bền với mức giá thành tương đương với các dòng motor đến từ Rexroth

    Đặc điểm nổi bật:

    • Có nhiều dòng motor: TG, TE, F12, F11, phù hợp cho cả bơm, motor servo, và cụm truyền động hybrid.
    • Áp suất làm việc cao, có thể lên đến 450 bar.
    • Vật liệu hợp kim chịu mài mòn và hệ thống trục – vòng bi chắc chắn.
    • Một số dòng servo motor thủy lực Parker có khả năng phản hồi vị trí chính xác cao, dùng trong hệ thống điều khiển tốc độ biến thiên.
       

    Ứng dụng: Thường gặp trong máy ép nhựa, máy công trình, thiết bị nặng và hệ thống servo thủy lực điều khiển chính xác.

    Ưu điểm: độ tin cậy cao, linh kiện dễ thay thế, phù hợp cho hệ thống yêu cầu vận hành liên tục.

    4. Yuken (Nhật Bản)

    Yuken là thương hiệu nổi tiếng của Nhật Bản chuyên về thiết bị thủy lực, khá nổi tiếng về các loại van, một số dòng bơm và motor. Yuken không có quá nhiều mẫu mã và công nghệ, phù hợp với những hệ thống đơn giản, và có mức giá thành hợp lý.

    Đặc điểm nổi bật:

    • Cấu trúc nhỏ gọn, dễ lắp đặt và bảo trì.
    • Tiêu hao năng lượng thấp.
    • Phù hợp cho môi trường nhà xưởng.
       

    Ứng dụng: Được sử dụng trong máy ép nhựa, máy uốn, máy dập, máy đùn, dây chuyền tự động hóa, và thiết bị cơ giới công nghiệp.

    Ưu điểm: Bảo trì đơn giản, phụ tùng sẵn có, đặc biệt phù hợp cho các xưởng sản xuất, nhà máy quy mô nhỏ không yêu cầu khắt khe về chất lượng.

     

    Trên đây là toàn bộ những thông tin về motor thủy lực. Nếu bạn cần tư vấn chọn motor phù hợp với yêu cầu vận hành của nhà máy hoặc cần tìm đơn vị sửa chữa motor thủy lực uy tín, hãy liên hệ đến Thủy Lực Nam Hải. Đội ngũ kỹ sư Nam Hải được đào tạo chính quy và có chuyên môn cao sẽ hỗ trợ bạn các vấn đề về motor và vận hành hệ thống thủy lực trong nhà máy.

    * Tất cả những nội dung được chia sẻ đều đã được kiểm duyệt bởi đội ngũ chuyên gia Nam Hải.

    Với hơn 20 năm kinh nghiệm, Nam Hải chuyên cung cấp các sản phẩm vật tư thủy lực; giải pháp thiết kế chế tạo theo yêu cầu; và dịch vụ bảo trì, sửa chữa máy móc thủy lực. Nam Hải đang là đại lý ủy quyền của Bosch Rexroth, Sun Hydraulics, Hydac, Tele Radio, Stauff, Hengst,... tại Việt Nam

    Viết bình luận của bạn (có 0 bình luận)

    Địa chỉ email của bạn sẽ được bảo mật. Các trường bắt buộc được đánh dấu *